Codan 9350 Antenna Manual

CODAN 9323/9360Series

Codan 9350

The 9350 Automatic Tuning Whip Antenna is designed for maximum durability and reliability in demanding mobile military operations. Codan's 9350 Antenna is designed to be used with transceivers that have a large channel capacity. The 9350 Antenna includes two whip top sections. For sale is a brand New Codan 9350 Antenna. The antenna has never been used or mounted and is in its original box. SHIPPING WORLDWIDE FREE! Seller assumes all responsibility for this listing. Postage and handling. This item can be sent to United States, but the seller has not specified postage options. 2210 HF Radio System User Manual details for FCC ID DYY2210 made by Codan Limited. Document Includes User Manual User Manual. 08-0323-00x 08-05627-00x ay 6-wector co 9350 wa r 15- ecto con RF dse spe ake bat ter NOTE: A range of ancillary equipment may be connected to the Envoyâ„¢ Transceiver using the 6-way and 15-way connectors. Transceiver Codan 9360 Antenna Codan 9350 The transceiver Codan 9360. Transceiver + operational unit + microphone - Click was developed by the Australian company Codan, especially for the Autralian outback. It virtually became a standard for UN- organisations. The 9350 Automatic Tuning Whip Antenna is designed for maximum durability and reliability in demanding mobile operations. It is used with transceivers that have a large channel capacity. Rugged, best-in-class mobile antenna Fast, optimum tuning High radiation efficiency Continuous tuning Two whips supplied Sensitive to weak signals.

EXTERNAL, INTERNAL/PCB PICTURES.

The 9323/9360/9390/9780 ran from 1993 to about2003

All control head PCBs were SMD. The main transceiver PCBs were initially

manufactured using through hole construction, but switched to SMD around 2001.

Control Head Cross reference:

The 9323 uses the 9330 control head

picture

The 9360 uses the 9366 control head

picture

Radio Firmware Version info:

(approx dates)

1993- V1.xx Firmware

1994- V2.xx firmware

1995- V3.xx Firmware

1997- V4.xx Firmware

You must match the head firmware with the transceiver firmware..ie, only use a V2.xx head with a v2.xx transceiver.

Main Transceiver PCBs:

Through Hole Processor Board. Through Hole IF Board

Internal Control Head shots:

LCDDisplay Remote Head PCB Replacement Keypad

Microphone Socket Pinouts

Pin 1Speaker audio out (usually linked to pin 7)
Pin 2Microphone audio
Pin 3Earth
Pin 4Data to Transceiver
Pin 5PTT/Data from Transceiver
Pin 613.6 volts supply
Pin 7Speaker audio to front panel speaker

Microphone keypad encoder PCB.

Note: IC1 (above) is actually a I/R remote control encoder Chip.

This means that a standard DTMF Mic will not work on a Codan 9xxx.

Picture By Ian Ross UK Thanks.

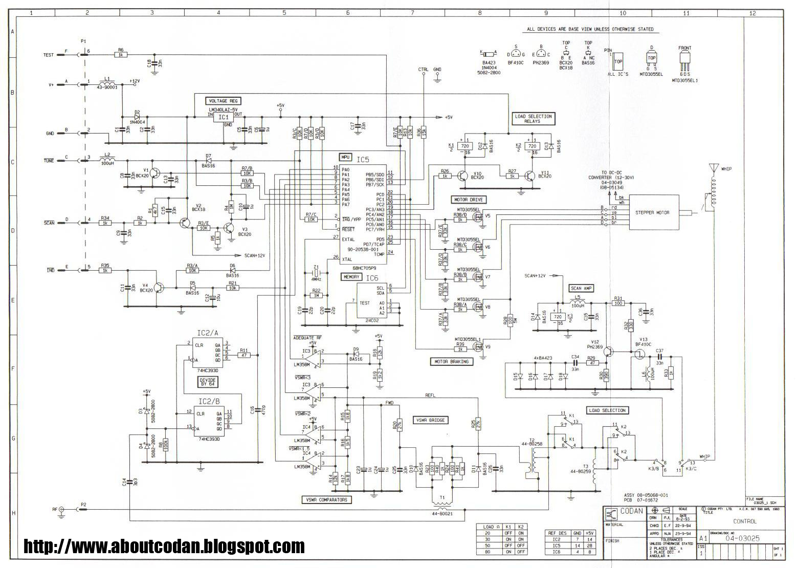
Antenna

Antenna Control Cable Wiring

9350 Antenna Control Cable

Wiring Info for 85xx/9xxx radios:

15 pin D6 Pin Mil. ConnectorConfiguration

12, 13 A +12VDC

14,15 B Gnd

4 C Tune

5 D Scan

11 E Tuned Indicator

- F Not Used


GPS connection

RS232 socket on rear of Main Transceiver.

Tip-Radio data input

Ring-Radio data output

Sleeve- Ground

Codan 9350 Antenna Manual User

For a Very Handy Guide on how to Personalise your 9323/9360/9780/9390 via the

Keypad Menu System Click Here

9323 Programming lead

Available at www.hf-radio.com.au

Manuals & Handbooks

9323 User Guide and reference Manual are available at :

Codan Radio

www.hfradiosales.com ... Once there, just Click on the 'Manuals and Downloads' section of the top menu .